DN2R series dual power automatic transfer switches are newly developed miniature
household power transfer switches . This switch is mainly used to test whether the normal or standby power supply is normal .
When the normal power supply is abnormal , the backup power supply will work immediately to ensure the continuity , reliability and safety of the power supply . This product is specially designed for home track TV installation and is specially used for Pz30 distribution box.
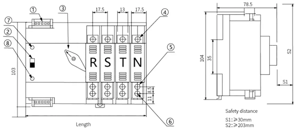
Series of automatic transfer switches are suitable for emergency power system 400v , 60A with AC rated current of 50v or 60Hz , compact structure , reliable conversion , easy installation and maintenance . long life . It is widely used in various occasions where continuous power failure is not allowed . It can be operated electrically or manually by ATS, and the controller.
Complies with requirements of Low-voltage Switch Gear and Control Gearspecified by IEC 60947-6-1 and IEC60947-3 : functional equipment andtransfer switch equipment

| Rated current le A | 16/20/25/32/40/50/63 100 |
| Insulation voltage Ui | AC 690V |
| Rated voltage Ue | AC 400V |
| Grade | Grade PC : able to male and withstand.not to break short-circuit current |
| Use category | AC-33iB |
| Pole | 2P 3P 4P |
| Weight ( kg ) | 0.62 0.72 0.81 |
| Life | Electrial : 2000times ; Mechanical : 5000times |
| Rated conditionalshortcircuit current Iq | 50KA |
| SCPD ( fuse ) | RT16-00-63A |
| Rated impulse withstand voltage | 8KV |
| Control circuit | Rated control voltage Us : AC220V, 50HZ Correct working condition 85 % US-110 % US |
| Auxiliary circuit | AC220V/AC 110V 50/60Hz |
| Contact transfer time | <50ms |
| Operating transfer time | <50ms |
| Return transfer time | <50ms |
| Off-time | <50ms |
| Temperature range | -5℃~+40℃ Average temperature not more than 35℃ in 24 hours |

