DNHLX-PV2 / 1 DC combiner box is suitable for inverter( MAX input voltage DC550V / DC1000V , 2 PV input channel , 1 output channel , single MPPT inverter ) . Box body is made of PVC engineering materials , with test for fire retardant , temperature rise , anti impact , anti ultraviolet , and other testing. IP65 protection grade.
Design and configuration , strictly accordance with the “Technical specification for photovoltaic junction equipment ” CGC / GF 037 : 2014 . Provide users with a safe , brief , beautiful and applicable photovoltaic system products.
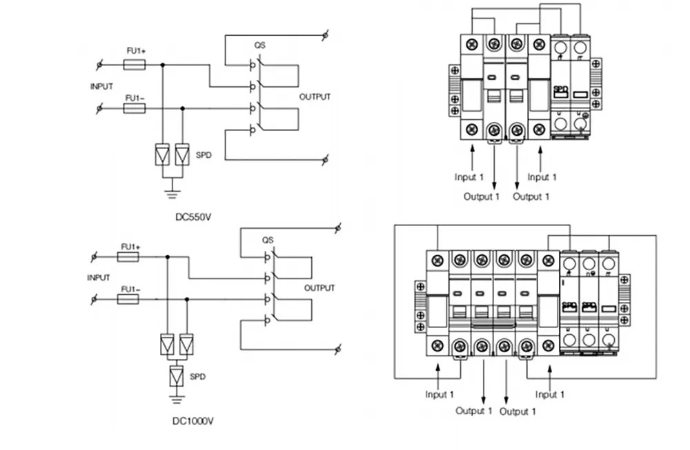
Can be equipped with DC fuses, DC surge protection devices and DC circuit breakers or DC load disconnect switches to ensure strong protection and reliability.
IP65 design , waterproof , anti dust and anti ultraviolet. Strict test for high and low temperature , used widely .
The simple installation , the simplified system wiring ,the convenient wiring.
The box body is made of cold rolled steel and other metal materials
Used for single crystal silicon solar modules ,polycrystalline silicon solar modules , thin film solar modules .
Current rating of the photovoltaic fuse ,circuit breaker , load isolation switch is modified.

Provides efficient and safe solar power solutions for homeowners.
Ideal for rooftop solar installations on commercial buildings, enhancing power utilization.
Suitable for large-scale industrial solar projects, offering reliable power support.

| Model | DHLX-PV2/1 |
| System maximum dc voltage | 550 1000 |
| Maximum input current for each string | 15A |
| Maximum input strings | 2 |
| Maximum output switch current | 20A/32A |
| Number of inverter MPPT | 1 |
| Number of Output strings | 1 |
| Category of test | Ⅱgrade protection |
| Nominal discharge current | 20KA |
| Maximum discharge current | 40KA |
| Voltage protection level | 2.8KV 3.8KV |
| Maximum continuous operating voltage Uc | 630V 1050V |
| Poles | 2P 3P |
| Structure characteristic | Plug – push module |
| Protection grade | IP65 |
| Output switch | DC isolation switch ( standard ) / DC circuit breaker ( optional ) |
| SMC4 Waterproof Connectors | Standard |
| pv dc fuse | Standard |
| pv surge protector | Standard |
| Monitoring module | Optional |
| Preventing diode | Optional |
| Box material | PVC |
| Installation method | Wall mounting type |
| Operating Temperature | ~25℃∽+55℃ |
| Elevation of temperature | 2km |
| Permissible relative humidity | 0-95% , no condensation |
| Width x High x Depth | 300x260x140 |

A solar combiner box does not increase the voltage of the solar power system. Its main role is to combine the currents from multiple solar panel strings, simplifying the system’s wiring and improving its efficiency. For those looking to increase voltage, additional equipment like inverters or transformers is required. By understanding the function and benefits of a combiner box, users can better design and maintain their solar energy systems.
1、What is the purpose of a DC combiner box?
A DC combiner box consolidates multiple photovoltaic inputs into a single output, enhancing the efficiency and safety of solar power systems.
2、Can the DNHLX-PV2 combiner box be used in harsh environments?
Yes, its IP65 rating ensures it is waterproof, dustproof, and UV-resistant, suitable for various environmental conditions.
3、Is the installation of the DNHLX-PV2 combiner box complicated?
No, the box is designed for easy installation with simplified wiring and clear instructions.